MÖBELPRÜFTECHNIK AUF DEM AKTUELLSTEN STAND
Ältere Prüffelder für die Möbelprüfung und Bauteilprüfung bergen u.a. softwareseitig oft noch viele nicht ausgeschöpfte Potenziale. Bestehende Möbelprüffelder können nachhaltig auf den aktuellen Calmar pro – Standard von Hegewald & Peschke modernisiert werden. Die Prüffelder werden dazu mit einer komplexen Steuerung und der Prüfsoftware CalMaster mit Bedienoberfläche und der Möglichkeit der Echtzeit-Überwachung nachgerüstet.
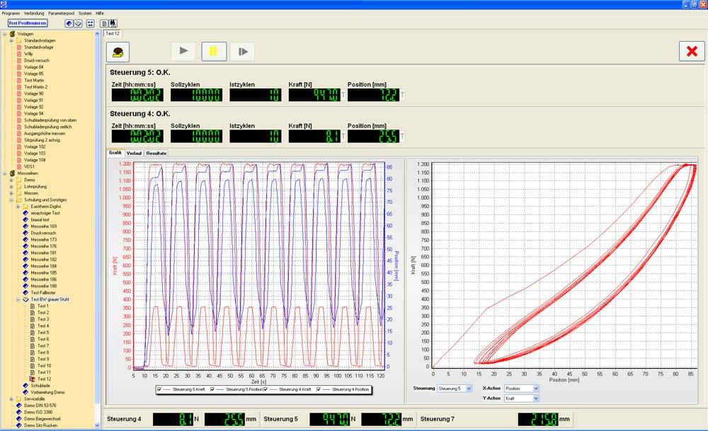
LEISTUNGSSTARKE PRÜFSOFTWARE FÜR DIE MÖBELPRÜFUNG UND BAUTEILPRÜFUNG
CalMaster ist eine flexible Prüfsoftware für ein- und mehraxiale Prüfungen. Es ermöglicht die Steuerung des Prüfsystems sowie die Synchronisierung mehrerer Testachsen zu einer Prüfaufgabe. Das modulare Konzept der Software erlaubt es individuelle Prüfvorlagen zu erstellen. Tests auf Basis existierender Templates oder entsprechend der Normung; bspw. EN1335, EN581, EN1728, BS5459 oder BIFMA X5.1, können einfach gestartet, in einer Datenbank rückführbar gespeichert, ausgewertet und protokolliert werden.
Der Mess- und Prüftechnik-Spezialist mit Sitz in Nossen bei Dresden entwickelt, produziert und vertreibt seit 1990 hochwertige Maschinen, Komponenten und Softwarelösungen zur Werkstoff-, Bauteil- und Komponentenprüfung. Hierzu gehören z. B. Universalprüfmaschinen, Härteprüfgeräte, Bauteil- und Möbelprüfstände sowie verschiedene Längenmessvorrichtungen für Industrie und Forschung. Die 70 Mitarbeiter des Unternehmens mit Vertriebsbüros in ganz Deutschland bieten zudem verschiedene Services rund um das Thema Prüfen und Messen sowie die Nachrüstung von Universalprüfmaschinen. In den Bereichen Konstruktion und Softwareentwicklung pflegt Hegewald & Peschke enge Kooperationen mit Hochschulen und Fraunhofer-Instituten, wodurch das hohe Niveau der Produkte sowie deren technische Aktualität sichergestellt werden. Hegewald & Peschke wurde nach ISO 9001 zertifiziert bietet Kalibrierungen mit DAkkS-Akkreditierung an. Weitere Informationen über die Hegewald & Peschke GmbH finden Sie im Internet unter www.hegewald-peschke.de.
Hegewald & Peschke Meß- und Prüftechnik GmbH
Am Gründchen 1
01683 Nossen
Telefon: +49 (35242) 445-0
Telefax: +49 (35242) 445-111
https://www.hegewald-peschke.de
Marketingbeauftragte
Telefon: +49 (35242) 445605
Fax: +49 (35242) 445111
E-Mail: jana.koschemann@hegewald-peschke.de
![]()